Fábricas con incumplimientos acústicos: identificación precisa de focos críticos
Diagnóstico selectivo que identificó los focos realmente responsables y redujo drásticamente la inversión correctora.
El reto
En el ámbito industrial, uno de los principales desafíos acústicos es la coexistencia de múltiples fuentes de ruido operando simultáneamente, ubicadas a distintas alturas, en diferentes recintos y con tipologías muy variadas. Esta complejidad dificulta enormemente la identificación precisa de los focos responsables del incumplimiento normativo en el exterior.
SNA intervino en una planta industrial que presentaba afecciones significativas en los niveles sonoros medidos en el entorno exterior, superando los límites establecidos por la normativa aplicable. La dificultad no residía únicamente en el nivel global emitido, sino en la interacción combinada de equipos, estructuras, transmisiones indirectas y fenómenos de propagación complejos.
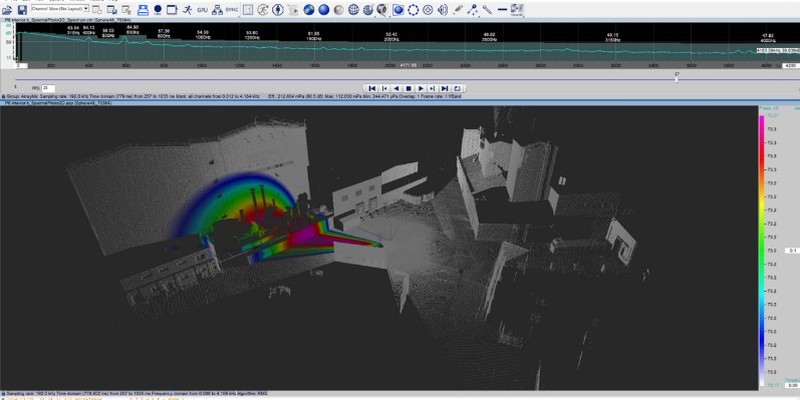
La solución
Dentro de la línea de Acústica Industrial Avanzada, se desarrolló una metodología específica que permitió identificar con precisión la posición y contribución individual de cada punto conflictivo hacia el exterior. Mediante técnicas de análisis espacial, mediciones direccionales de alta resolución y modelización acústica detallada, se logró discriminar qué focos eran realmente determinantes en el incumplimiento normativo.
El resultado
Este enfoque permitió optimizar de forma sustancial las medidas correctoras. En lugar de aplicar soluciones generalizadas y económicamente sobredimensionadas, se actuó exclusivamente sobre las fuentes críticas, reduciendo la inversión necesaria y maximizando la eficacia técnica de las actuaciones. La ingeniería dejó de ser reactiva para convertirse en estratégica: diagnóstico preciso, análisis cuantificado y diseño selectivo de soluciones donde innovación metodológica, control técnico y optimización económica convergen para transformar un problema complejo en una intervención eficiente y sostenible.
Proyectos relacionados
Monitorización acústica avanzada en central industrial
Un año de monitorización continua correlacionando 40–50 parámetros operativos con el cumplimiento acústico.
Ver proyecto →
Mapa acústico 3D medido in situ en planta industrial
Cartografía tridimensional real de más de 6.000 m² para priorizar medidas de Prevención de Riesgos Laborales.
Ver proyecto →
Complejo Hidroeléctrico Alto Tâmega
Ingeniería acústica para una de las mayores infraestructuras energéticas de Europa.
Ver proyecto →


